FFU
介绍:FFU风机过滤器机组是一种工业过滤设备,适用于电子、制药、生物工程等高洁净度要求的行业,可构建1级至10万级洁净环境。其模块化设计支持单台或多台串联使用,典型应用场景包括洁净室、洁净生产线及层流罩.
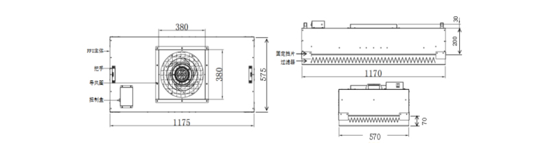
该设备配备初效和高效两级过滤系统,顶部风机吸入空气经双重过滤后输出洁净气流。壳体采用不锈钢、镀锌板或烤漆冷轧板制造,集成低振动外转子离心风机,具有低噪音和均匀送风特性 。
结构原理:

特点:
●相比使用交流风机的FFU,节能约30%-40%
●相比使用交流风机的FFU,噪音可降低约5dB(A)
●采用智能控制系统,实现方便的大规模集成化控制
●易于配合任何类型的吊顶骨架
技术参数:

实际案例:



FFU
介绍:FFU风机过滤器机组是一种工业过滤设备,适用于电子、制药、生物工程等高洁净度要求的行业,可构建1级至10万级洁净环境。其模块化设计支持单台或多台串联使用,典型应用场景包括洁净室、洁净生产线及层流罩.
该设备配备初效和高效两级过滤系统,顶部风机吸入空气经双重过滤后输出洁净气流。壳体采用不锈钢、镀锌板或烤漆冷轧板制造,集成低振动外转子离心风机,具有低噪音和均匀送风特性 。
结构原理:

特点:
●相比使用交流风机的FFU,节能约30%-40%
●相比使用交流风机的FFU,噪音可降低约5dB(A)
●采用智能控制系统,实现方便的大规模集成化控制
●易于配合任何类型的吊顶骨架
技术参数:

实际案例:


